A2 and D1 Flanged Lathe Spindle Runout Test Bars
|A2-4
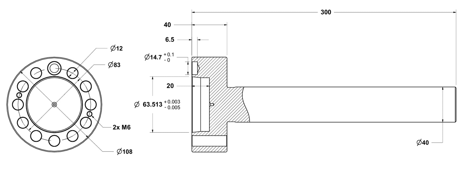
A2-4
Standard: ISO702-1 / DIN55026 / JIS B 6109-1 / ASME B5.9
- Type A2 and D1 Flanged Lathe Spindle Runout Test Bars
- Part Number 490.610.A2-4
TAC Messtechnik Contact Details
Test arbor for mounting to turning-center and measuring run-out. Designed for A2-5, A2-6, D1-8 etc. lathe face mounting. Also available for flat 110 and 140 lathe face.
Extended drawbar clearance versions have additional depth at the taper needed for drawbar clearance on certain lathes.
A2 Spindle Arbors (490.610)
Test arbor for mounting to turning-center and measuring run-out. Designed for A2-5, A2-6, D1-8 etc. lathe face mounting. Also available for flat 110 and 140 lathe face.
Extended drawbar clearance versions have additional depth at the taper needed for drawbar clearance on certain lathes.
